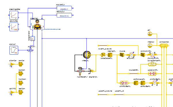
ダブルウィッシュボーン式サスペンションのリンク機構を表現したモデル
【 活用例 】リンク取付位置の変更によるキャンバ角等の変化の確認/ショックアブソーバの減衰特性やタイヤの接地追従性能の評価/リンク機構の過渡振動の評価
ダウンロード
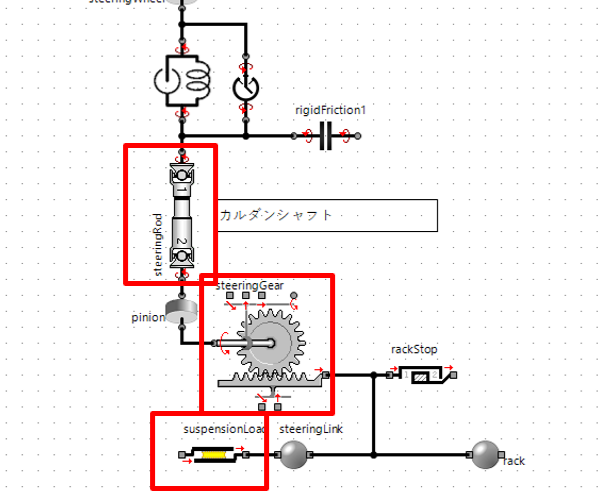
パワートレインのねじり振動を表現したモデル
【 活用例 】エンジン構成を変更した時のパワートレインの定常ねじり振動への影響評価/走行シナリオに合わせたパワートレインの過渡ねじり振動の評価
ダウンロード
エンジンのトルク特性やギア比、燃費/電費に関する車両走行検討モデル
【 活用例 】走行シナリオに合わせた最適なギア比と変速タイミングの検討/燃料消費量や、EVの回生パワー回収量の評価/トルク特性や燃料マップがパワートレインに与える影響評価
ダウンロード
車両の旋回特性や旋回性能を検討するモデル(2輪・4輪)
【 活用例 】舵角や車速の入力に対するヨーレイト、車体スリップ角の確認/4輪モデルにおいてコーナリングパワーの変化や左右輪の荷重差といった詳細な影響の確認
ダウンロード